售前电话:199 3816 2940    手机/微信同号:199 3816 2940    服务热线:199 3816 2940   
未标题-1

咨询热线

199 3816 2940
  • DS-2XC6245F-L
  • DS-2XC6245F-L
海康威视摄像机DS-2XC6245F-L水下系列摄像机_副本

海康威视摄像机DS-2XC6245F-L水下系列摄像机,可应用于互联网水产养殖,船舶检修,水下工程,堤坝监测等水下环境

全国热线

199 3816 2940

产品特性
【图像相关】
  • 最高分辨率可达2560 × 1440 @25 fps
  • 支持旋转模式,背光补偿,适应不同监控环境
  • 支持码流平滑设置,适应不同场景下对图像质量、流畅性的不同要求
  • 支持H.265/H.264/MJPEG视频压缩算法,支持多级别视频质量配置、编码复杂度设置
  • 支持GBK字库,支持更多汉字及生僻字叠加
  • 支持OSD颜色自选
  • 支持3D数字降噪,支持120 dB超宽动态
  • 支持全彩透雾
【补光功能】
  • 高效阵列白光补光,使用寿命长,照射距离最远可达10 m
【Smart功能】
  • Smart侦测:10项行为分析,2项异常侦测
  • Smart编码:支持低码率、低延时、ROI感兴趣区域增强编码、SVC自适应编码技术,支持Smart265编码,可根据场景情况自适应调整码率分配,有效节省存储成本
【系统功能】
  • 支持三码流,支持手机监控
  • 支持开放型网络视频接口,ISAPI,GB28181,Ehome,ISUP接入
  • 符合IP68级防尘防水设计,可靠性高
  • 标配15 m专用防腐蚀线缆,满足水下15 m环境长时间使用需求
产品型号

DS-2XC6245F-L(3-9mm)

技术参数

DS-2XC6245F-L规格参数

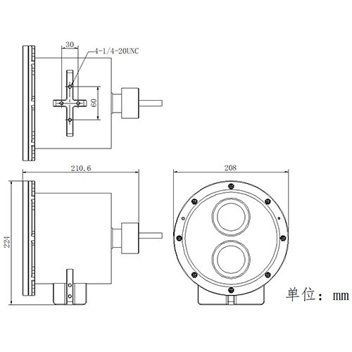
产品尺寸

DS-2XC6245F-L产品尺寸