售前电话:199 3816 2940    手机/微信同号:199 3816 2940    服务热线:199 3816 2940   
未标题-1

咨询热线

199 3816 2940
  • DS-2DY5423BW-A
  • DS-2DY5423BW-A
海康威视摄像机DS-2DY5423BW-A网络白光T型云台摄像机

海康威视摄像机DS-2DY5423BW-A网络白光T型云台摄像机

全国热线

199 3816 2940

产品特性
  • 采用H.265视频压缩算法,压缩比高,图像质量好
  • 400万像素,支持2560 × 1440分辨率
  • 焦距5.9 mm~135.7 mm 23倍光学变倍,16倍数字变倍
  • 超低照度彩色:0.005Lux @ (F1.5,AGC ON);黑白:0.001Lux @(F1.5,AGC ON),0 Lux with white light
  • 内置高精度磁编码器,PT运动平稳且精度高
  • 支持ROI、透雾、宽动态、防抖等功能
  • 支持3D定位功能,通过客户端/IE可实现点击跟踪和放大
  • 支持中文语言OSD菜单功能
  • 支持巡航扫描、花样扫描等多种扫描方式
  • 支持断电记忆功能,上电后自动回到断电前的监控场景
  • 支持守望功能,预置点/花样扫描/巡航扫描可在空闲状态停留指定时间后自动调用(包括上电后进入的空闲状态)
  • 支持预置点/辅助输出/多种扫描方式的定时任务功能
  • 水平方向360°连续旋转,垂直方向+90°~-90°旋转
  • 水平速度为0.1°~200°/s,垂直速度为0.1°~50°/s
  • 支持比例变倍功能,旋转速度根据镜头变倍倍数自动调整
  • 雨刷采用汽车雨刮片,耐候性好,更换方便
  • 支持音频/报警,可配合声光报警及报警联动应用
  • 支持移动侦测,遮挡报警,报警输入/输出,异常
  • 支持音频异常侦测,人脸侦测,区域入侵侦测,越界侦测,进入/离开区域侦测,徘徊侦测,人员聚集侦测,快速移动侦测,停车侦测,物品遗留侦测,物品拿取侦测
  • 白光100 m
  • 设备侧出线
产品型号

DS-2DY5423BW-A(S6)(B)

技术参数

DS-2DY5423BW-A(S6)(B)规格参数

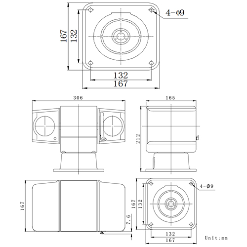
产品尺寸

DS-2DY5423BW-A(S6)(B)产品尺寸