

本产品为专业太阳能智慧供电管理模块,具有多路输入并用特点。在单套太阳能供电系统不足情况下,可配多套太阳能供电系统,为设备提供稳 定可靠的电量输出,广泛应用于高速公路,输油管道,输电线路,环境治理,水源保护,森林防火等场景。
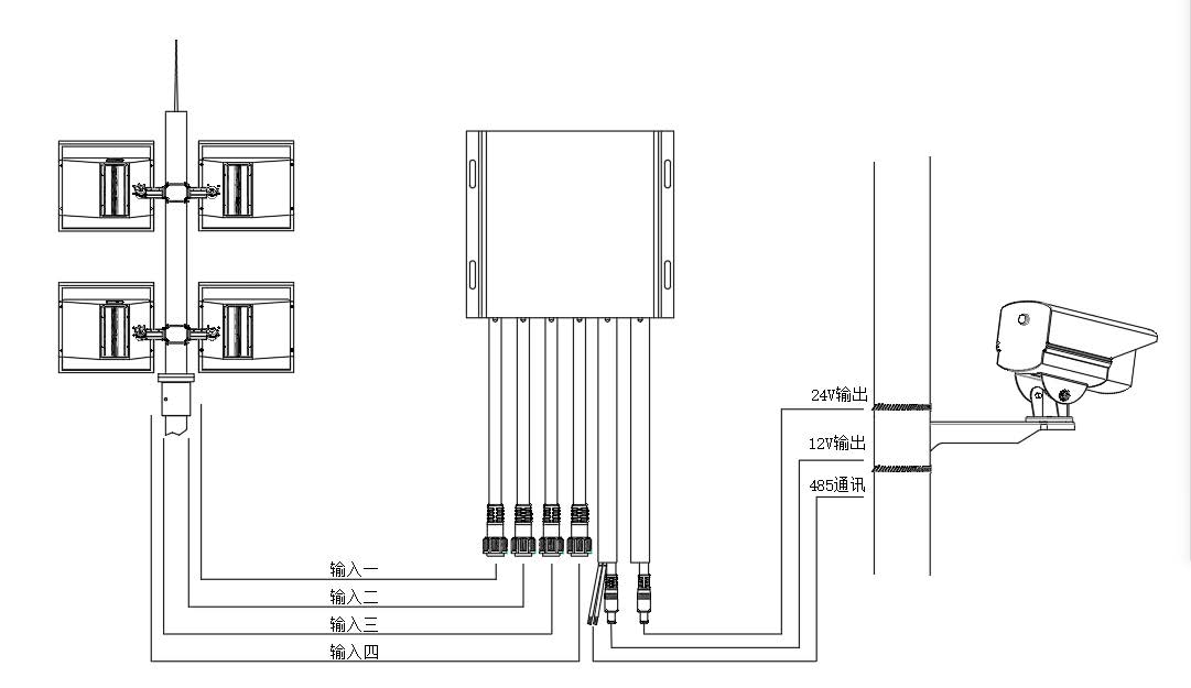
● 多路独立太阳能供电系统经过控制模块,实现均衡放电,最多接入 4 路。
● DC12V 输入电压。输出 DC12/24V 两种工作模式,方便使用在各种监控设备上。
● 输入电压 9V~15V 之间可设,单路最大输入电流 6A。
● 太阳能供电系统并联输入互不干扰,防反冲。
● 多路系统只允许一路系统单独输出,电量高的一路优先输出,实现无缝切换。
● 模块与太阳能供电系统之间带 RS485 通讯,后台可显示多路供电系统的电压、电流、剩余电量等信息。
● 输出分别为 DC12V 宽电压和 DC24V 恒压输出(输出总功率不超过 60W),并带 RS485 通讯。
● 采用防水线头设计,充分考虑户外雨雪天气,短路造成的设备故障,有效防止各种腐蚀,满足 IPX8;
● 输入为四条四芯防水线,每条线一对正负极,一对通讯 RS485。输出为两条线,一条四芯,一路 DC12V,一路通讯RS485。另一条线两芯 DC24V。
● 自带工作指示灯,可实现输入输出工作情况实时反馈,方便查看;
● 多路同时工作其中单路输入系统出现故障不影响其它正常工作。
● 工作温度-35 到 65℃
DS-2FSZK4C-JX/OW
● 模块在 12V 系统电压下工作,使用时请先接输入,模块会自动识别输入端口后开始工作,输入端指示灯显
● 示绿色代表正在工作端口,指示灯红色代表当下低电压端口。
● 模块输出端指示灯红灯代表 12V 正在输出状态,绿灯代表 24V 正在输出状态,可同时使用,总功率 60 瓦以内。
● 单路太阳能供电系统有 485 通讯时,读取电池数据以 485 通讯数据为主,没有 485 通讯接口,以输出电压 数据为主。
● 输入输出电流不能超过模块额定电流 6A。
● 模块在上电时会识别蓄电池电压,使用时请先接电池,并保证连接可靠。
● 模块在运行期间会发热,建议安装在通风散热的环境中。
● 控制器为防水线设计使用,如需单独供电,务必清楚输出和通讯正负极。
| 现象 | 问题 | 解决办法 |
|
输入指示灯不亮 |
电池供电有问题 |
检查太阳能系统是否接好 输入正负极是否正确 |
|
后台读取供电系统电压高,但是不是此路输出 |
线路输出正负极有问题 |
检查太阳能系统控制器输出是否正常。 检查太阳能系统输出是否断开或松动。 |
|
输出指示灯不亮,监控设 备不工作 |
蓄电池电量不足 |
检太阳能系统充电是否正常,电池板配置是否正确。 |
|
输出线路短路 |
确认设备输出线路是否正确 |
|
|
后台为供电线路电压,不 是 485 通信读取电压 |
通信故障 |
请检查太阳能系统保护板是否正常,接线是否正确 |
|
绿灯不亮,输入红灯以 1 秒 的频率闪烁 |
输出短路一小时以上 |
检查监控设备输出是否正确,接线是否可靠 |